オーエスジーのダイヤモンドコーティングが複合材による摩耗から工具を保護
Vis Huang | OSG Shanghai
ボーイング787ドリームライナーは、2011 年10 月26 日、全日本空輸が最初に商業運航を開始しました。2014 年6 月15 日までに、787ドリームライナーは世界中で100,000 回以上の飛行を行い、2 千万人以上の乗客を運びました。夢見た場所に787ドリームライナーで訪れた経験のある皆様には、そのご協力に感謝申し上げます。
現在、世界中の目的地に向けて350機以上の787ドリームライナーが飛行しており、今後さらに増える予定です。ボーイング787ドリームライナーの素晴らしい成功は、その優れた飛行性能と低い運用コストによるものです。長距離、中型、広胴、双発の787ドリームライナーは、最大290 人の乗客を乗せて地球一周のおよそ1/3 にあたる15,750 kmまで飛行することができます。機体の主材料に複合材を使用した最初の航空機であり、ボーイング社で最も燃料効率の高い旅客機です。ボーイング社は重さに対する材料の比率を公表しており、複合材が50 パーセント、アルミニウムが20 パーセント、チタンが15 パーセント、鋼が10 パーセント、他の物質が5 パーセントです。ボーイング社によると、軽量構造のおかげで787ドリームライナーの燃料消費量を以前のモデルと比べて20 パーセント削減でき、環境に対する温室効果ガスの放出量を削減することができます。
中国では、ボーイング社と中国航空工業集団公司(AVIC: Aviation Industry Corporation of China)の合弁企業である天津ボーイング複合材料有限公司(BTC: Boeing Tianjin Composites Co., Ltd)が、787 といった製造中のボーイング社の民間航空機のすべてに使われる部品を提供しています。中国の天津を拠点とするBTC 社は、最先端の航空機用複合材製造装置と研究室を複数備えています。ここでは民間航空機の一次構造、二次構造、内装品に使用する航空宇宙用複合材部品の製造を専門に行っています。オーエスジーは業界を主導する工具製造業者として、BTC 社の787 プログラムなど、航空宇宙産業向けに切削工具を提供しています。

複合材は787ドリームライナーの胴体、翼、テール、扉、内装に使用します。複合材は、繊維の混合物からなる、耐食性があり堅くて強い材料です。その引張強度は鋼の3 倍ですが、密度はアルミニウム合金の半分で、重さは鋼のわずか1/5 です。複合材にはこうした特性があるため、航空宇宙産業で非常によく使用されています。
複合材には多層という特徴があるため、多くの場合は加工が極めて困難です。材料の強度が高いことも、工具寿命が短くなる原因です。さらに、航空宇宙の用途では、複合材が層に分かれる層間剥離と呼ばれる状態が原因となって、穴の品質が低下する場合があります。航空機産業は高い品質と安全基準を守っているため、こうした状態は受け入れられず、その製造には、1 回で正確に加工できる適切な工具管理が求められます。

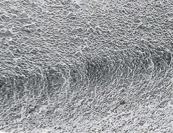
オーエスジー超微結晶ダイヤコート 
他社のダイヤコート(産業規格)
オーエスジーの複合材工具はいずれも、加工時間と切りくずを抑えながら、生産性、信頼性、工具寿命を向上させる製錬法と切削形状に特徴があります。オーエスジーがお勧めする特許技術の超微結晶ダイヤコートは、複合材を加工するのに欠かせないものであり、他社のダイヤコート製品より優れた確かな利点があります。

粒径の小さいオーエスジー超微結晶ダイヤコート 
ダイヤモンド層間剥離(注:大粒径)
オーエスジーが特許を取得した超微結晶ダイヤコートは、ダイヤモンド粒径が最大2 μm です。直径が厳密に管理されているため、当社のコーティングは極めて平滑であり、工具を非常に鋭利に保つことができます。また、オーエスジーは完全な管理下で、すべてのダイヤモンド製品を社内で製造しています。これにより、工具寿命が想定通り一定のダイヤコート製品が得られ、早期にダイヤモンドの層間剥離が発生する問題から解放されます。中国では、オーエスジーがAVIC の評価を得たことは、つまり中国の航空宇宙メーカーの評価を得たと解釈することができます。オーエスジーは単に工具を提供するだけでなく、世界中の人々の日常生活をサポートする会社です。皆様は当社の存在を知らないかもしれませんが、当社は、懸命に仕事を行い、社会に貢献し、お客様の夢の飛行をカタチにすることに貢献しています。

You must be logged in to post a comment.